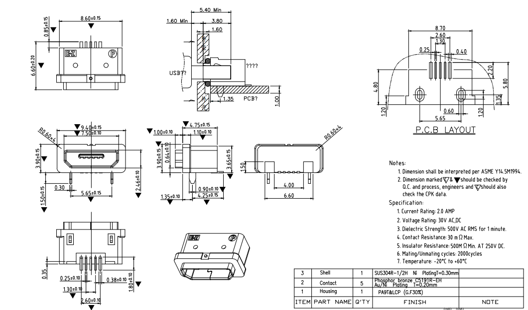
防水USB TYPE-C

下一篇 : USB TYPE-C帶防水圈
防水USB TYPE-C

(0/10)
